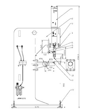
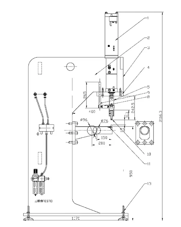
Пуклевочный пресс (8-тонный, С-образная рама, для пуклевки воздуховодов ОВКВ)
- Усилие 78кН-156кН
- Глубина зева (вылет) 400-500мм
- Высота открытого зева 45мм
Пуклевочный (клинчинг) пресс серии TCEU – это специализированная система для клинчинга (пуклевки), разработанная специально для отрасли производства ОВКВ (HVAC) и холодильного оборудования. Благодаря увеличенному вылету и прочной раме пресс легко адаптируется под различные производственные задачи и требования заказчика.
Ключевые преимущества
- В качестве основного привода пуклевочного пресса используется современный пневмогидравлический цилиндр.
- Генерация усилия от 2 до 2000 кН при использовании только сжатого воздуха 2–8 бар, без необходимости в сложных гидравлических станциях.
- Плавная (бесступенчатая) регулировка усилия в заданном диапазоне.
- Силовой ход автоматически запускается при контакте с заготовкой в любой точке общего хода.
- Отсутствие необходимости регулировки хода при смене инструмента или деталей. Усилие зажима данного пуклевочного пресса автоматически адаптируется к нагрузке.
Области применения
Формовка
Проведение испытаний
Штамповка
Рельефное тиснение (чеканка)
Вытяжка
Герметизация
Клепка
Резка
Гибка
Сжатие
Клинч-соединение (пуклевка)
Запрессовка
Области применения
Соединение лопаток воздушных заслонок
Сборка противопожарных клапанов
Сборка воздушных заслонок и клапанов регулирования расхода (VCD)
Соединение швов воздуховодов и элементов вентиляционных систем










